Neue Artikel
HIDROMOTOR MS 100 ECO (ALSG3-100)
| Technische Daten | |
| Lieferant: | China |
| Rückgabe oder Umtausch: | 14 Tage |
| Garantie: | 6 Monate |
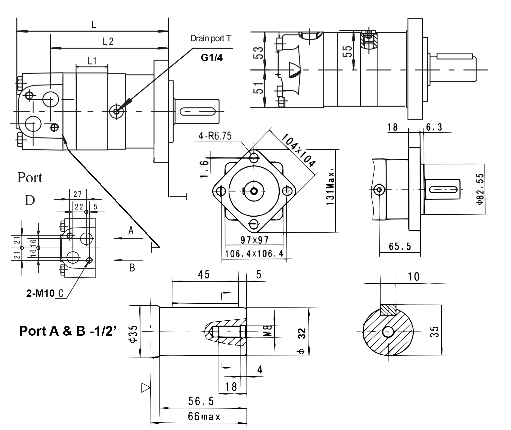
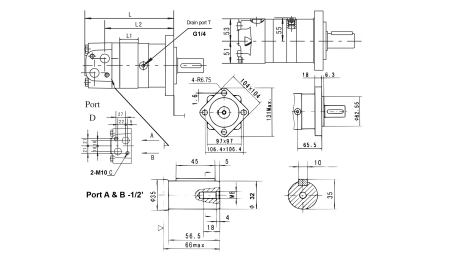
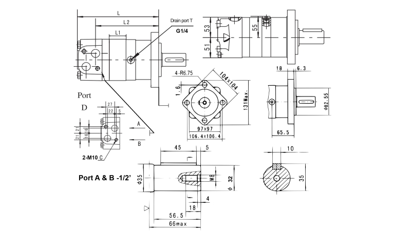
| Wellendurchmesser: | 32 mm |
| Ölfluss: | konstanter Fluss 75 L/min, intermittierend 90 L/min |
| Anschlussgewinde: | 1/2" |
| Temperaturbereich: | von -40 °C bis 140 °C |
| Drehmoment: | konstantes Drehmoment 27,9 daNm, intermittierend 30,3 daNm |
| Umdrehungen: | konstante Umdrehungen 676 rpm, intermittierend 747 rpm |
| Druckverlust: | konstanter Druck 205 bar, intermittent 225 bar |
| Leistung: | konstante Leistung 18 kW, intermittierend 22 kW |
| cm³/Umdrehung: | 100,8 |
| Gewicht: | 10 kg |
BESCHREIBUNG – HYDRAULIKMOTOREN MS ECO
Hydraulikmotoren des Typs MS sind kompakt, robust und zuverlässig mit orbitalem Aufbau. Aufgrund ihrer einfachen Konstruktion und hohen Effizienz sind sie für ein breites Anwendungsspektrum geeignet.
Die ECO-Version behält die Standardqualität und Zuverlässigkeit bei, ist jedoch erschwinglicher, da vertrauenswürdige Hersteller sie ohne den zusätzlichen Markenaufschlag produzieren.
Sie zeichnen sich aus durch:
- hohen Hubraum bei niedrigen Drehzahlen,
- ruhigen und leisen Lauf,
- lange Lebensdauer dank hochwertiger Materialien und Dichtungen,
- Möglichkeit des Betriebs in verschiedenen Drehrichtungen,
- geringen Ölverbrauch im Verhältnis zur Leistung,
- ECO-Version: gleiche Qualität und Leistung zu einem günstigeren Preis.
MS-Hydraulikmotoren werden hauptsächlich in der Landwirtschafts-, Forst- und Baumaschinen sowie in der Industrie eingesetzt, wo eine zuverlässige und effiziente Umwandlung von Hydraulikenergie in mechanische Bewegung erforderlich ist – mit einem noch stärkeren Fokus auf nachhaltige Energienutzung.

|
L |
L1 |
L2 |
|
|
(mm) |
(mm) |
(mm) |
|
|
MS 80 ECO |
170 |
16 |
126,5 |
|
MS 100 ECO |
174 |
20 |
130,5 |
|
MS 125 ECO |
179 |
25 |
135,5 |
|
MS 160 ECO |
181 |
27 |
137,5 |
|
MS 200 ECO |
188 |
34 |
144,5 |
|
MS 250 ECO |
196 |
42 |
152,5 |
|
MS 315 ECO |
208 |
54 |
164,5 |
|
MS 400 ECO |
223 |
69 |
179,5 |










