Nové produkty
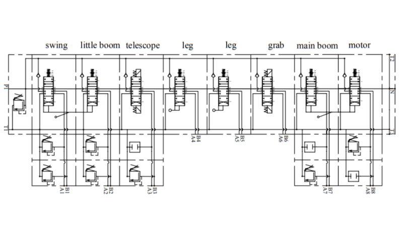
HYDRAULICKÝ VENTIL HIAB 8XPC70 + 2X JOYSTICK - ELEKTRICKÉ OVLÁDÁNÍ 12V

Obecný popis:
Manuální nebo mechanický hydraulický ventil РC70 je určen pro distribuci a řízení pracovního toku mezi hydraulickou pumpou a hydraulickými válci.
Hydraulický ventil se používá pro lesnické přívěsy – (HIAB).
Sestaveno v bloku 8 segmentů.
Provoz:
Všechny hydraulické ventily jsou vybaveny bezpečnostním ventilem. V neutrální poloze (páka uprostřed) olej cirkuluje ventilem. Když je páka posunuta na jednu nebo druhou stranu, hydraulický ventil způsobí pohyb válce nebo otáčení hydraulického motoru jedním nebo druhým směrem. Po uvolnění páky se automaticky vrátí do neutrální polohy, hydraulický motor nebo válec se zastaví v aktuální poloze a olej opět cirkuluje ventilem. Je možné použít takzvaný 'uzavřený střed' prvek, který změní ventil tak, aby v neutrální poloze olej neprocházel ventilem nebo takový ventil již neteče. Při používání nebo připojování jiných ventilů je nutné použít prvek 'carry over', který umožňuje dodávku oleje pro další ventily.
Pro ventily s vřeteny pro plovoucí funkci umožňuje válci volný tok oleje, což následně znamená, že válec se pohybuje volně (nebo sněhová radlice se přizpůsobuje terénu).
Ventily s vřeteny pro jednopůsobivé válce jsou určeny pro jednopůsobivé válce.
Stavba:
РC70 je monoblokový distribuční ventil. Je vyroben z litiny EN-GJL300. Vřetena jsou vyrobena z uhlíkové oceli a jsou tvrdě chromována.
Připojení:
Vřeteno je přišroubováno dvěma šrouby M10.








