Neue Artikel
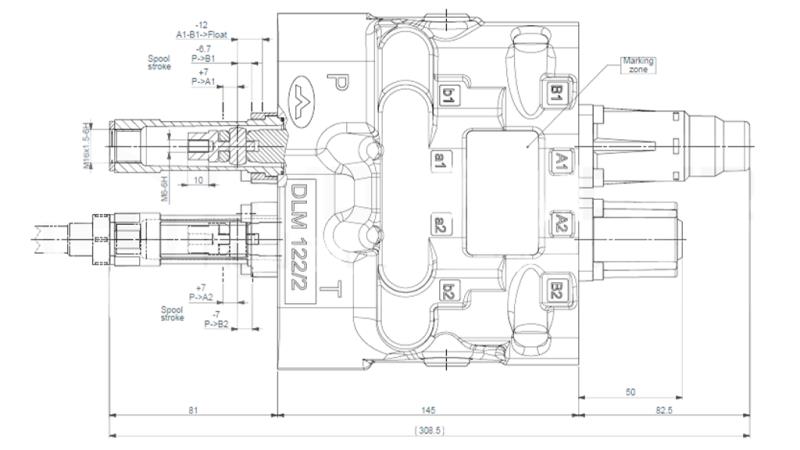
HYDRAULISCHES STEUERVENTIL DLM-122/2 2xP80 L/min LOAD SENSING MIT FLOAT-FUNKTION
|
Lieferant: |
Spanien |
|
Rückgabe oder Umtausch: |
14 Tage |
|
Gewicht: |
12,50 kg |
|
Garantie: |
6 Monate |
DRUCKBEREICH:
|
Maximaler Versorgungsdruck: |
250 bar |
|
Max. Arbeitsdruck: |
300 bar |
|
Gegendruck: |
max. 10 bar |
|
Das Überlaufventil ist werkseitig eingestellt auf: |
180 bar |
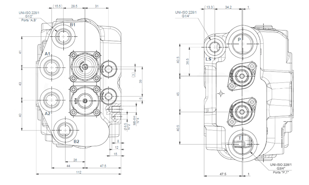
DER ANSCHLUSS
|
Stromanschluss: |
3/4'' |
|
Rücklaufanschluss: |
3/4'' |
|
Abschnitt-Ports-Verbindung: |
1/2'' |
|
LS-Port-Verbindung: |
1/4'' |
|
Rohrinnengewinde: |
M16x1.5 |
|
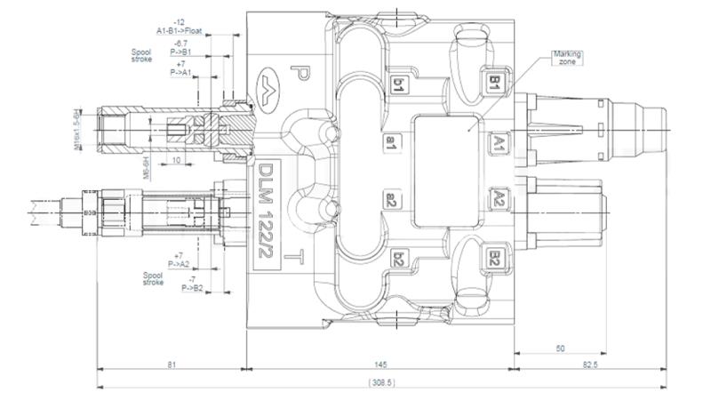
Innengewinde der Schieberspitze: |
M6x1.5 |
ÖLTEMPERATURBEREICH UND ÖLTYP:
|
Zulässige Umgebungstemperatur: |
bis -40°C zum 60°C |
|
Permissible oil temperature: |
bis -15°C zum 80°C |
|
Empfohlen: |
Hydrauliköl auf Mineralölbasis (HL 32 oder HL 46) |
|
Nenndurchfluss: |
80 L/min |
Beschreibung:
HYDRAULISCHES STEUERVENTIL DLM-122/2 2xP80 L/min LOAD SENSING MIT FLOAT-FUNKTION
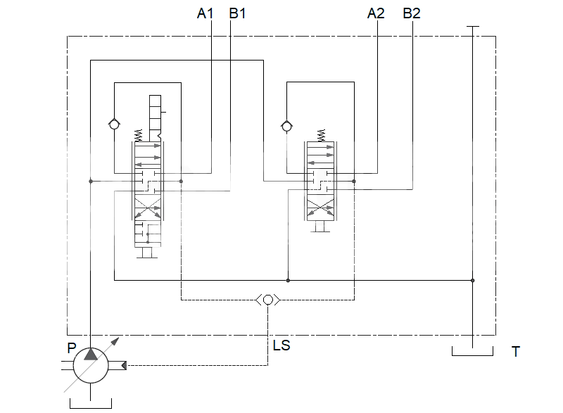
Zur Steuerung des Frontladers dient ein hydraulisches Steuerventil mit Load-Sensing-Funktion. Es verfügt über zwei Abschnitte, die die Steuerung von Zwei-Wege-Hydraulikzylindern ermöglichen. Wir können das Steuerventil mit der Joystick-Load-Sensing-Funktion verbinden (empfohlen). Lediglich die Steuereinheit (Joystick) verbleibt in der Kabine. Dadurch wird sichergestellt, dass keine Gefahr einer Ölleckage in der Kabine besteht.
Der Verteiler ist mit einem Anschluss ausgestattet, der das LS-Signal an die Pumpe sendet. Ein Abschnitt hat eine schwebende Position. Entwickelt für den Einsatz in geschlossenen Systemen mit dem LOAD SENSING (MDL) System.













