Neue Artikel
MANUELL HYDRAULISCHES VENTIL MONOBLOCK 2xZ50 + SCHWIMMSTELLUNG
Allgemeine Beschreibung:
Die manuellen oder mechanischen Hydraulikventile Z50 sind für die Verteilung und Steuerung des Betriebsstroms zwischen der Hydraulikpumpe und den Verbrauchern (Zylinder, Hydraulikmotoren usw. ) bestimmt.
Hydraulikventile werden für eine Vielzahl von Anwendungen in der Landwirtschaft, der Industrie, dem Bauwesen usw. eingesetzt. für die Lenkung:
- Einfachwirkende Zylinder
- Doppelwirkende Zylinder
- Öl Motore
- Schwimmfunktionen für Pflug
- Joystick - Kreuzhebel (auf und ab, links und rechts)
Das Steuerventil kann bis 7 Sektionen haben, nur die zusammengesetzten Ventile, wo man jede Sektion einzeln dazu geben kann, kann man bis unendlich zusammenbauen.
Wirkung:
Alle Hydraulikventile sind mit einem Sicherheitsventil ausgestattet. In der Neutralstellung (Hebel in der Mitte) zirkuliert das Öl durch das Ventil. Wenn der Hebel zur einen oder anderen Seite bewegt wird, bewirkt das Hydraulikventil eine Bewegung des Zylinders oder eine Drehung des Hydraulikmotors in die eine oder andere Richtung. Wenn der Hebel losgelassen wird, kehrt er automatisch in die Neutralstellung zurück, der Hydraulikmotor oder -zylinder bleibt in seiner aktuellen Position stehen und das Öl wird durch das Ventil zurückgeführt. Es besteht die Möglichkeit, ein so genanntes "Closed Center"-Element zu verwenden, das das Ventil so verändert, dass in der Neutralstellung kein Öl mehr durch das Ventil zirkuliert oder es nicht mehr durchströmt. Bei der Verwendung oder Anbindung anderer Ventile muss eine "Carry-Over"-Verbindung verwendet werden, um die Ölversorgung der anderen Ventile zu ermöglichen.
Bei Ventilen mit Schieber für Schwimmfunktion ermöglicht dies den freien Durchfluss des Zylinders, was bedeutet, dass sich der Zylinder frei bewegt (oder der Schneepflug sich dem Gelände anpasst).
Ventile mit Schieber für EW Funktion sind für EW Zylinder ausgelegt.
Struktur:
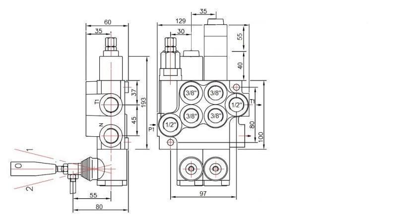
Р40 ist ein Monoblock Distributivgesetztes Ventil. Aus Gusseisen EN-GJL300 hergestellt. Schieber ist aus Kohlenstoffstahl gemacht und ist hart verchromt.
Anschlüsse:
Der Spindel ist mit zwei M8 Schrauben befestigt.







