Neue Artikel
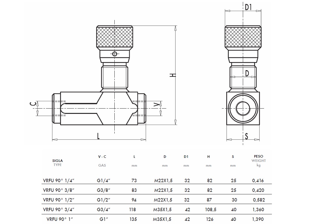
DROSSELVENTIL MIT HANDRAD VRFU 3/8- EINE RICHTUNG - 30 lit
Verwendung:
Das Ventil wirkt als Durchfluss Regulator in eine Richtung, inzwischen ist in der umgekehrten Richtung der Durchfluss frei. Weil das Ventil den Druck nicht in freier Leitung kompensiert, ist der Durchfluss von dem Druck und Ölviskose abhängig.
Material:
Gehäuse: Metall, verzinkt
Verdichtungen: BUNA N Standard
Verschluss: Kugel typ
Anschließen:
Verbinden sie "V" an die Druckseite und "C" an Aktuator Seite (Verbraucher). Der Durchfluss ist so von Richtung "C" gegen "V" reguliert und frei in die andere Richtung. Bei Verwendung von Ventil mit dem Aktuator, der schon ein Sperrblockventil anhat, muss das Ventil zwischen Aktuator und den Sperrblockventil angeschlossen sein. Der Durchfluss wird mit der Drehung von Ventil reguliert; in Uhrzeigersinn für größeren Durchfluss, in der umgekehrten Richtung verkleinert man den Durchfluss. Als sie den gewünschten Durchfluss anstellen, befestigen sie eine Mutter, damit der gewünschte Wert nicht abtrete wegen möglichen Vibrationen.






