Neue Artikel
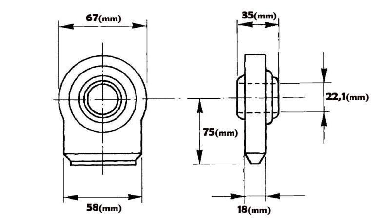
ANSCHWEIß GELENKAUGE - BODEN FI 22,1/58
Artikel Nummer
10380
OEM:
9990000003068
Steuersatz
22 %
Preis exklusive Mehrwertsteuer:
6,88 CHF
Preis inklusive Mehrwertsteuer:
8,40 CHF
Ref:
15
GE sphärisches Augenlager
Augen Schweißanschlüsse sind zum Anschweißen aufs Hydraulikzylinder, Stöcke, Träger und andere ähnliche Teile geeignet, bei denen die Bewegung gebraucht ist. Wegen Ausführung sind die für größere Belastungen oder Tragkräfte vorgesehen. Wegen Ausführung fordern die Gelenkaugen keine spezielle Instandhaltung und so ist derer Lebenszeit sehr lang.
Lieferant:
Italien
Standard:
DIN 648, Serie E-ISO 6124/1
Rückerstattung oder Umtausch:
14 Tage
Garantie:
6 Monate
Material:
Stahl FE 510 A105







