Uudet tuotteet
SUHTEELLINEN OHJAUSVENTTIILI TRAKTORIN ETUKUORMAAJAAN - LOAD SENSING LVM92 EHP
| Tekniset tiedot | |
|
Toimittaja: |
Türkiye |
|
Palautus tai vaihto: |
14 päivää |
|
Takuu: |
6 kuukautta |
|
Tyyppi: |
KUORMANTUNNISTUS |
|
Käyttöpaine: |
250 bar |
|
Nimellisvirtaus: |
90 l/min |
|
Liitäntä kierre: |
1/2" |
|
Osioiden määrä: |
2 |
Kuvaus
LVM92-EHP on monoblokki-venttiili, joka on suunniteltu etukuormaajiin. Se tarjoaa erinomaiset suhteelliset toimintaoiminnot ja helpon asennuksen, virtausnopeuksilla jopa 90 l/min ja käyttöpaineilla jopa 250 bar.
Venttiili tarjoaa täysin sähköisesti suhteellisen hallinnan, mukaan lukien kelluvatoiminnon, ilman vaikutusta koneen kuormaan tai käyttöolosuhteisiin.
Pakkaus sisältää venttiilin, suhteellisen ohjaustangon ja sähköjohdotuksen.
Kuormantunnistustoiminto tarjoaa entistä tarkemman suhteellisen hallinnan ja parannetun järjestelmän tehokkuuden.
Käyttö

Järjestelmän asianmukaisen toiminnan varmistamiseksi noudata huolellisesti alla olevat vaiheet:
- Tee liitännät yllä olevien ohjeiden mukaisesti.
- Varmista, että hydraulisäiliö on oikein liitetty.
- Tarkista, ettei sisäänottopaine ylitä 250 bar.
- Varmista, että nimellisvirtaus on 90 l/min.
- Tarkista, että porttien B1, A1, A2 ja B2 liitännät ovat oikein.
- Varmista, että viemäröinti- tai vuotolinja on liitetty oikein.
- Tarkista, että T (säiliö) ja P (paine) linjat ovat liitettyinä ja toimivat oikein.



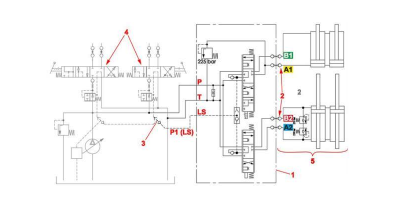
Kuvassa on KUORMANTUNNISTUS-hydrauliikkajärjestelmä:
1. Suhteellinen venttiili (LVM92 EHP) kiinnityksen oikealla puolella.
2. Liitäntä traktorin etukuormaajaan.
3. Lisäliukulukko kuormantunnistukselle.
4. Traktoriin jo asennetut hydrauliventtiilit voivat olla käytettävissä muille kuluttajille.
5. Traktorin etukuormain.
Kolme hydrauliputkea (P, T, P1) yhdistävät KUORMANTUNNISTUS-suhteellisen venttiilin traktorin hydraulijärjestelmään:
- P – paineputki
- T – paluuputki (säiliö)
- P1 – Kuormantunnistus (LS)

Liitä venttiili yllä olevan kuvan mukaisesti:
- Varmista, että järjestelmän jännite on 12 V.
- Tarkista, että virtajohto on kytketty oikein.
- Järjestelmässä tulee olla ketjujohto ja 120 ohmin vastus.
- Kytkettyäsi ohjaussauvan varmista, että ACAS:n LED-valot syttyvät vihreiksi.
- Tarkista, että kaikki johdot ovat tukevasti ja oikein kiinnitettyjä.

- SININEN painike: 6/2-suuntaventtiili (hetkellinen painike)
- PUNAINEN painike: kelluvatoiminto (lukittava painike)
- VIHREÄ painike: hidas/nopea (lukittava painike)
Kelluvatoiminto: Siirrä ohjaussauvaa B1 (laskeva) suuntaan. Kun ohjaussauva on B1-asennossa, paina FLOAT-painiketta aktivoidaksesi kelluvatilan. Varoitus: Älä suorita tätä toimintoa, kun traktorin etukuormain on nostettu liian korkealle.









