Nové položky
HYDRAULICKÉ ČERPADLO 00C2X032 GR.0 - 2cc - PRAVOTOČIVÝ
Kód
14751
OEM
9990000178803
Sadzba dane
22 %
Cena bez DPH:
61,48 EUR
Cena s DPH
75,00 EUR
Ref:
5
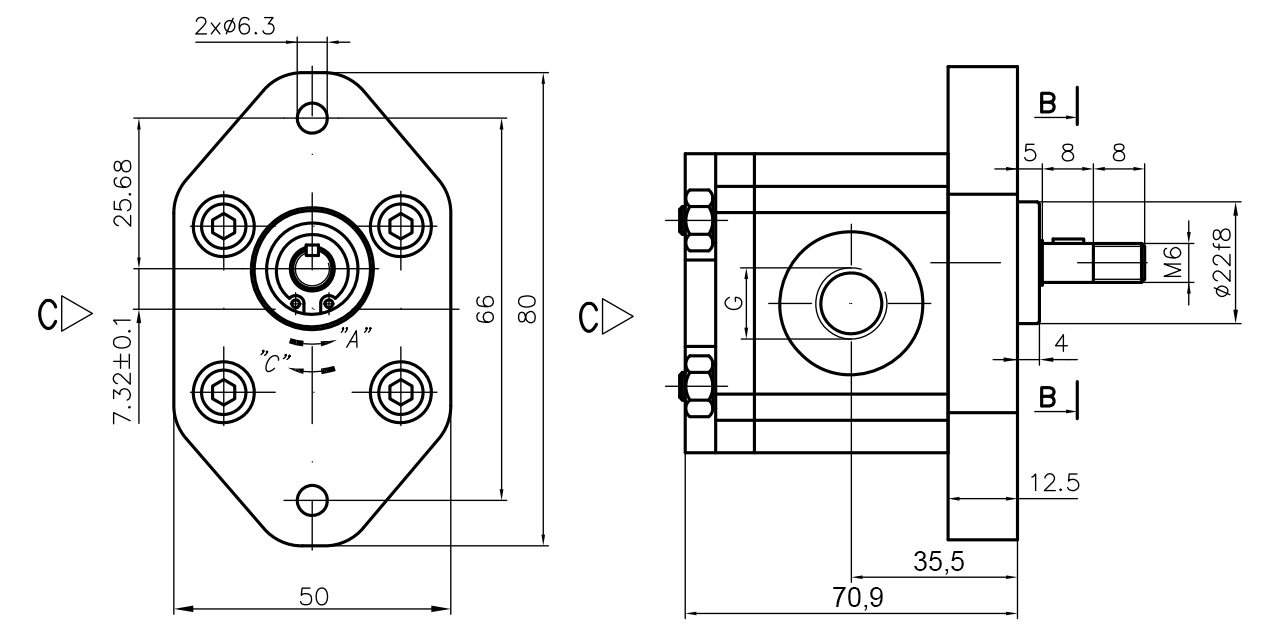
| Technické informácie | |
| Dodávateľ: | Turquie |
| Vrátenie alebo výmena: | Nie je možné |
| Záruka: | 6 mesiacov |
| Model: | 00C2X032 |
| Smer otáčania: | Pravý (C) |
| Výtlak: | 2 cm3/otáčku |
| Veľkosť: | GR.0 |
| Rýchlosť: | max. 2000 ot./min |
| Závit pripojenia: | 1/4" (vstup a výstup) |
| Menovitý tlak: | 160 bar |
| Prúd: | 2,8 l/min pri 1500 ot./min a 3,7 l/min pri max. ot./min |
Popis
Hydraulické čerpadlá sú kľúčovou súčasťou každého hydraulického systému, pretože premieňajú mechanickú energiu na hydraulickú energiu. Používajú sa v mnohých aplikáciách, ako sú poľnohospodárske stroje, stavebné zariadenia, priemyselné zariadenia a dopravné systémy.
V našej ponuke nájdete kvalitné hydraulické prevodové čerpadlá v rôznych veľkostiach (GR), výtlakoch a konfiguráciách, ktoré zabezpečujú spoľahlivú prevádzku, dlhú životnosť a jednoduchú inštaláciu. Poskytujú stabilný prietok oleja, vysokú účinnosť a minimálne straty, čo prispieva k optimálnemu výkonu celého systému.
Rozmery










