Nya produkter
MANUELL HYDRAULISK VENTIL MONOBLOCK 4xP120
Allmän beskrivning:
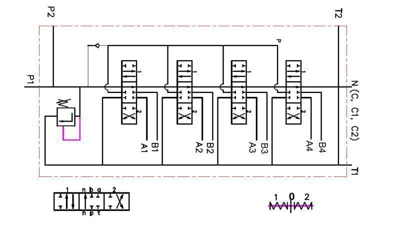
Manuell eller mekanisk hydraulikventil Р120 är avsedd för distribution och kontroll av arbetsflödet mellan hydraulpumpen och konsumenterna (cylindrar, hydraulmotorer…).
Hydraulikventiler används för olika ändamål inom jordbruk, industri, byggnation, etc. för att kontrollera:
- enkeltverkande cylindrar
- dubbelverkande cylindrar
- hydraulmotorer
- flytande funktioner (för plog)
- joysticks (upp-ned, vänster-höger)
De är monterade i en block av 1 till 4 spakar.
Funktion:
Alla hydraulikventiler är utrustade med en säkerhetsventil. I neutralposition (spaken i mitten) cirkulerar oljan genom ventilen. När spaken flyttas åt ena eller andra sidan, får hydraulikventilen cylindern att röra sig eller hydraulmotorn att rotera i ena eller andra riktningen. Vid frigöring av spaken återgår den automatiskt till neutralposition, hydraulmotorn eller cylindern stannar i den aktuella positionen, och oljan cirkulerar återigen genom ventilen. Det är möjligt att använda ett så kallat 'stängt centrum'-element, som ändrar ventilen så att oljan inte cirkulerar genom ventilen i neutralposition eller så att en sådan ventil inte längre flödar. Vid användning eller anslutning av andra ventiler är det nödvändigt att använda 'carry over'-elementet, som möjliggör oljeförsörjning för andra ventiler.
För ventiler med spindlar för flytande funktion tillåter det cylindern fri flöde av olja, vilket i sin tur innebär att cylindern rör sig fritt (eller snöplogen anpassar sig till terrängen).
Ventiler med spindlar för enkeltverkande cylindrar är avsedda för enkeltverkande cylindrar.
Konstruktion:
Р120 är en monoblock distributionsventil. Den är tillverkad av gjutjärn EN-GJL300. Spindlarna är tillverkade av kolstål och är hård kromade.
Anslutningar:
Anslutningar: Spindeln är skruvad med fyra M10-skruvar







