Nya produkter
HIDRAVLIČNI VENTIL HIAB 8XPC70 + 2X EURO JOYSTICK 3 POZ
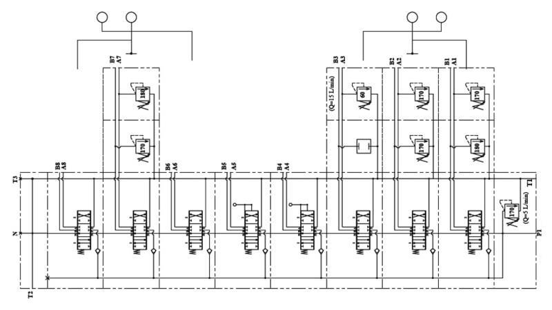
Allmän beskrivning:
Manuell eller mekanisk hydraulventil РC70 är avsedd för distribution och styrning av arbetsflödet mellan hydraulpumpen och hydraulcylindrarna.
Hydraulventilen används för skogsvagnar – (HIAB).
Består av en block med 8 segment.
Funktion:
Alla hydraulventiler är utrustade med säkerhetsventil. I neutralt läge (spaken i mitten) cirkulerar oljan genom ventilen. När spaken flyttas åt ena eller andra sidan, orsakar hydraulventilen rörelse av cylindern eller rotation av hydromotorn i en eller annan riktning. När spaken släpps återgår den automatiskt till neutralt läge, hydromotorn eller cylindern stannar i det aktuella läget, och oljan cirkulerar åter genom ventilen. Användning av så kallade 'closed center' element är möjlig, vilket gör att oljan i neutralt läge inte cirkulerar genom ventilen eller att en sådan ventil inte längre är genomströmmande. Vid användning eller koppling av andra ventiler är det nödvändigt att använda en 'carry over' del, som möjliggör oljeförsörjning till andra ventiler.
Vid ventiler med spindlar för flytande funktion, möjliggör detta cylindern fri oljeflöde, vilket innebär att cylindern rör sig fritt (eller att snöplogen anpassar sig till terrängen).
Ventiler med spindlar för enstaka cylindrar är avsedda för enstaka cylindrar.
Byggnad:
РC70 är en monoblock distributionsventil. Tillverkad av gjutjärn EN-GJL300. Spindlarna är tillverkade av kolstål och är hård kromade.
Anslutningar:
Spindeln är skruvad med två M10 skruvar.











