Nye artikler
HYDRAULIKKPUMPE 00C1.5X032 GR.0 - 1,5cc - HØYRE
Kode:
14750
OEM:
9990000178797
Skattesats
22 %
Pris uten MVA:
690,28 NOK
Pris med MVA:
842,14 NOK
Ref:
0
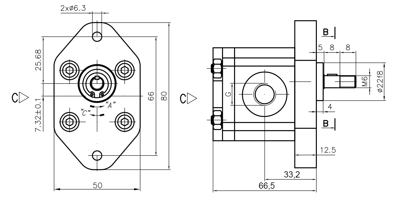
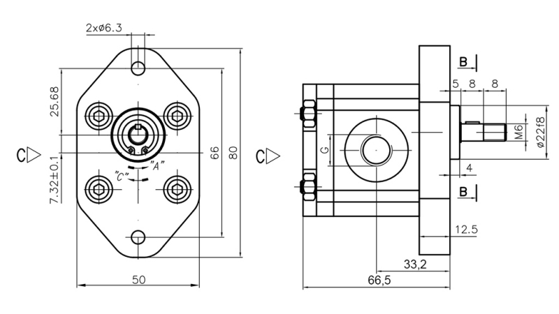
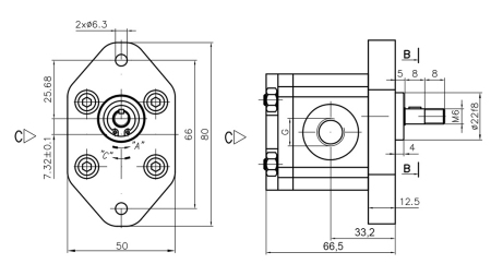
| Teknisk informasjon | |
| Leverandør: | Turkia |
| Retur eller bytte: | Ikke mulig |
| Garanti: | 6 måneder |
| Modell: | 00C1.5X032 |
| Rotasjonsretning: | Høyre (C) |
| Slagvolum: | 1,5 cm³/rev |
| Størrelse: | GR.0 |
| Hastighet: | maks. 2500 rpm |
| Port/tilkobling gjenge: | 1/4" (inntak og utløp) |
| Nominaltrykk: | 175 bar |
| Strømningsmengde: | 2,1 l/min ved 1500 rpm og 3,5 l/min ved maks. rpm |
Beskrivelse
Hydraulikkpumper er en nøkkelkomponent i ethvert hydraulikksystem, da de omdanner mekanisk energi til hydraulisk energi. De brukes i en rekke applikasjoner som landbruksmaskiner, anleggsmaskiner, industrimaskiner og transportsystemer.
I vårt sortiment finner du høykvalitets tannhjulshydraulikkpumper i ulike størrelser (GR), slagvolumer og konfigurasjoner, som sikrer pålitelig drift, lang levetid og enkel installasjon. De leverer stabil oljetilførsel, høy effektivitet og minimale tap, noe som bidrar til optimal ytelse for hele systemet.
Mål










