Novi artikli
MULTIPLIKATOR GR.3 -1:3 MOŠKI
Šifra:
10925
OEM:
9990000008445
Stopnja davka
22 %
Cena brez DDV:
139,34 EUR
Cena z DDV:
170,00 EUR
Ref:
28

Informativen izračun ob nakupu na obroke
polog0,00 EUR
3 × 61,55 EUR
polog0,00 EUR
6 × 31,12 EUR
polog0,00 EUR
12 × 15,91 EUR
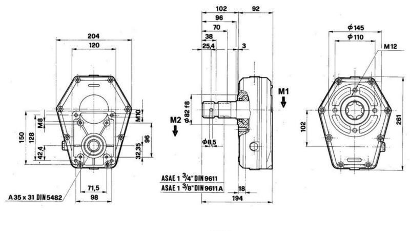
Uporaba
Multiplikator se koristi za povečanje vrtljajev zobniške črpalke in s tem posledično povečanje pretoka same črpalke.
Najpogosteje so uporabljeni za cepilce drv, traktorske nakladače in ostale traktorske priključke.
V osnovi sta moška izvedba z povezavo preko kardana in ženska izvedba z zatičem za namestitev neposredno na traktorski kardan.

Dobavitelj:
Italija
Vračilo ali menjava:
14 dni
Priključek:
moški - 1" 3/8
Vrtljaji:
max. 3000 rpm
Vhodni moment:
490 Nm
Izhodni moment:
160 Nm
Teža izdelka:
8,93 kg
Vhodni vrtljaji:
540 vrt/min
Izhodni vrtljaji:
1620 vrt/min
Razmerje prenosa:
1:3
Garancija:
6 mesecev
Delovna temperatura:
od -20 do +180°C
Za obremenitve:
20 kW










