Novi artikli
MULTIPLIKATOR GR.3 -1:3,8 MOŠKI
Šifra:
10131
OEM:
9990000000661
Stopnja davka
22 %
Cena brez DDV:
118,85 EUR
Cena z DDV:
145,00 EUR
Ref:
249

Informativen izračun ob nakupu na obroke
polog0,00 EUR
3 × 52,86 EUR
polog0,00 EUR
6 × 26,72 EUR
polog0,00 EUR
12 × 13,66 EUR
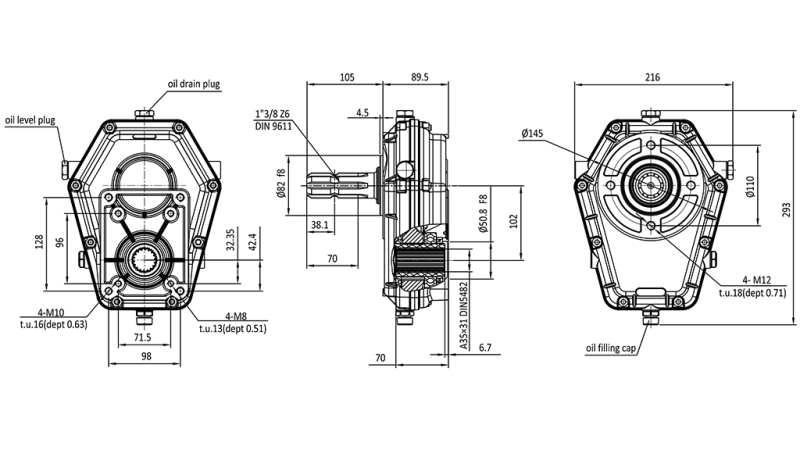
Uporaba
Multiplikator se koristi za povečanje vrtljajev zobniške črpalke in s tem posledično povečanje pretoka same črpalke.
Najpogosteje so uporabljeni za cepilce drv, traktorske nakladače in ostale traktorske priključke.
V osnovi sta moška izvedba z povezavo preko kardana in ženska izvedba z zatičem za namestitev neposredno na traktorski kardan.

Dobavitelj:
Italija
Vračilo ali menjava:
14 dni
Vrtljaji:
max. 3000 rpm
Vhodni moment:
437 Nm
Izhodni moment:
115 Nm
Teža izdelka:
7,93 kg
Vhodni vrtljaji:
540 rpm
Izhodni vrtljaji:
2057 rpm
Razmerje prenosa:
1:3,8
Garancija:
6 mesecev
Delovna temperatura:
od -20°C do +180°C
Za obremenitve:
20 kW










