Produits nouveaux
DISTRIBUTEUR FENDEUSE DE BUCHE AUTOMATIQUE-P81
| Informations techniques | |
| Fournisseur : | Bulgarie |
| Retour ou échange : | 14 jours |
| Garantie : | 6 mois |
| Débit nominal d'huile : | 80 l/min |
| Course de la broche : | ± 7,9 mm |
| Plage de température de fonctionnement : | de −40 °C à +60 °C |
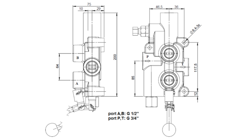
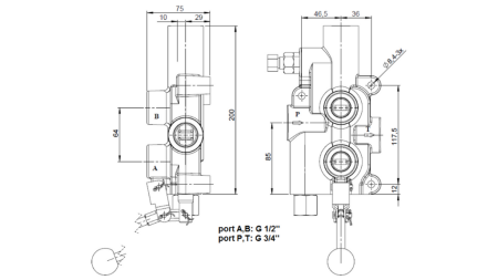
| Filetage de connexion : | Port P et T – 3/4", Port A et B – 1/2" |
| Pression max. : | Port P – 250 bar, Port T - 50 bar, Port A et B – 300 bar |
| Soupape de sécurité : | réglée en usine à 150 bar |
Description
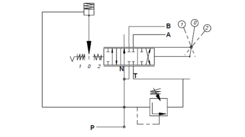
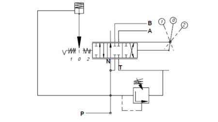
La valve hydraulique P81 est conçue pour une utilisation sur les fendeuses de bûches. Elle est dotée d’un retour par ressort dans une direction et d’un système de décompression par pression dans la direction opposée, ramenant automatiquement le levier en position neutre. La valve P81 comprend également une soupape de sécurité réglable manuellement.
Goupille de décompression par pression
Le système de décompression par pression permet de libérer le levier et de le ramener en position neutre. Lorsque la douille est déplacée manuellement en position de décompression par pression, l’huile est dirigée vers la section « B ». Lorsque la pression dans la section « B » dépasse la valeur réglée, la goupille de décompression par pression libère le levier de commande et le ramène en position neutre. Le réglage usine pour la fonction de décompression est de 70 bar.
ATTENTION : Si la goupille de décompression est réglée à une pression trop élevée, le levier ne reviendra pas en position neutre. Si la pression est réglée trop basse, la goupille ne maintiendra pas le levier en position prête pour la décompression.
Soupape de décharge réglable – le réglage standard en usine de la soupape de décharge est de 150 bar.
Le levier de la valve peut être orienté soit vers le « haut », soit vers le « bas » selon la position de montage de la machine. Cela se fait facilement en faisant pivoter le levier de 180°. Toutes les goupilles sont sécurisées avec des goupilles fendues DIN 94.












