Uudet tuotteet
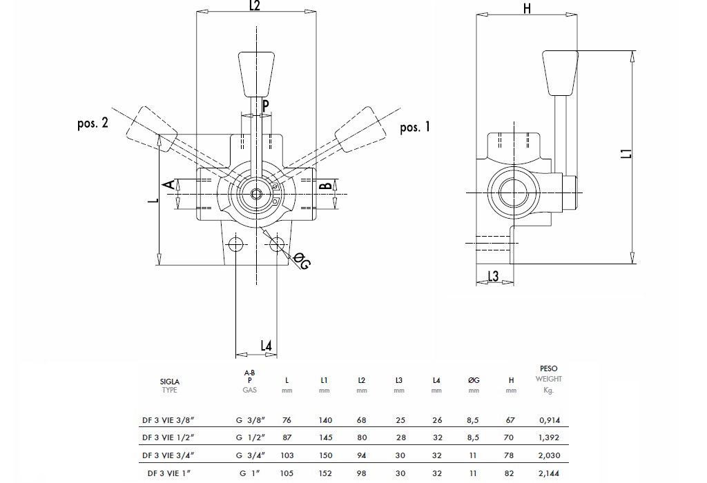
MANUAALINEN 3-TIEVENTTIILI DF 3/8 - 35LIT
Tuotekoodi:
10223
OEM:
9990000001583
Verokanta
22 %
Hinta ilman ALV:tä:
19,67 EUR
Hinta ALV:n kanssa:
24,00 EUR
Ref:
22
Käyttö:
Venttiiliä käytetään kolmitieventtiilinä. Öljyvirta jakautuu kahteen ulostuloon.
Materiaali:
Kotelo: valurauta, sisäinen osa kovametalli
Tiiviste: Buna N standardi
Liitäntä:
Liitä 'P' painepuolelle ja 'A' ja 'B' niihin portteihin, joihin haluamme jakaa öljyvirran. Kun vipu on asennossa '1', virta ohjautuu porttiin 'A', ja vipu asennossa '2', virta ohjautuu porttiin 'B'. Kun vipu on keskiasennossa, portit 'P', 'A', 'B' ovat kytkettyinä (avattu keskus).
Toimittaja:
Italia
Maksimipaine:
250 bar
Palautus tai vaihto:
14 päivää
Tuotteen paino:
1,3 kg
Takuu:
6 kuukautta
Maks. virtaus:
35 l/min






