Uudet tuotteet
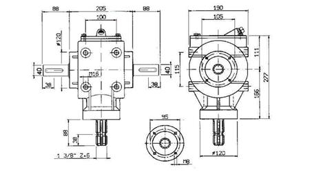
KULMA VAIHTEISTO PTO-R11S 1:2 (48HP-35KW)
Tuotekoodi:
11136
OEM:
9990000010530
Verokanta
22 %
Hinta ilman ALV:tä:
430,33 EUR
Hinta ALV:n kanssa:
525,00 EUR
Ref:
3
Palautus tai vaihto:
14 päivää
reducerin kierto:
vasen/oikea (riippuen reducerin asennuksesta)
Load:
48 HP (35 kW)
ulostuloakseli:
akseli 40 mm
vähennysosan tyyppi:
PTO (kulmansiirto)
voiteluaine:
öljy SAE 90 0.8 litraa on lisättävä reduceriin.
syöttöakseli:
kardaani (1”3/8 – 6 hammasta)


.jpg)
.jpg)
.jpg)
.jpg)
.jpg)

