Uudet tuotteet
HYD. VENTTIILI 5XZ80 + 2X JOYSTICK
Yleiskuvaus:
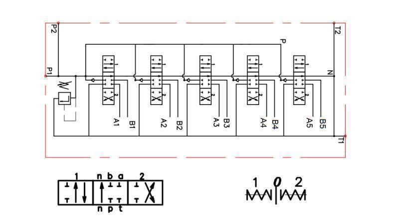
Manuaalinen tai mekaaninen hydraulinen venttiili Р80 on tarkoitettu työvirran jakamiseen ja hallintaan hydraulipumpun ja kuluttajien (sylinterit, hydrauliset moottorit…) välillä.
Hydrauliventtiilejä käytetään erilaisiin tarkoituksiin maataloudessa, teollisuudessa, rakentamisessa jne. hallitsemaan:
- yksitoimisia sylintereitä
- kaksitoimisia sylintereitä
- hydraulisia moottoreita
- kelluvia toimintoja (auralle)
- joysticks (ylös-alas, vasen-oikea)
Ne kootaan lohkoksi, jossa on 1-6 vipua.
Toiminta:
Kaikki hydrauliventtiilit on varustettu turvaventtiilillä. Neutraalissa asennossa (vipu keskellä) öljy kiertää venttiilin läpi. Kun vipua siirretään toiselle puolelle, hydrauliventtiili aiheuttaa sylinterin liikkeen tai hydraulimoottorin pyörimisen yhteen suuntaan tai toiseen. Vapautettaessa vipu se palautuu automaattisesti neutraaliin asentoon, hydraulimoottori tai sylinteri pysähtyy nykyiseen asentoon, ja öljy kiertää jälleen venttiilin läpi. On mahdollista käyttää niin sanottua 'suljettua keskusta' -elementtiä, joka muuttaa venttiiliä siten, että neutraalissa asennossa öljy ei kierrä venttiilin läpi tai tällainen venttiili ei enää vuoda. Käytettäessä tai liitettäessä muita venttiilejä on tarpeen käyttää 'carry over' -elementtiä, joka mahdollistaa öljyn syötön muille venttiileille.
Kelluvia toimintoja varten varustetuissa venttiileissä se sallii sylinterin vapaan öljyvirran, mikä tarkoittaa, että sylinteri liikkuu vapaasti (tai lumiaura mukautuu maastoon).
Yksitoimisia sylintereitä varten varustetut venttiilit on tarkoitettu yksitoimisille sylintereille.
Rakenteet:
Р80 on monoblock-jakeluventtiili. Se on valmistettu valuraudasta EN-GJL300. Spindelit on valmistettu hiiliteräksestä ja ne on kovakromipinnoitettu.
Liitännät:
Spindeli on kiinnitetty kahdella M8 ruuvilla.










