Nye produkter
PMRV-63 GEARKASSE TIL ELEKTRISK MOTOR MS80 (0.55-0.75KW) FORHOLD 20:1
Yderligere beskrivelse:
| elektrisk motor | gearkasse | udgangsmoment M2 [Nm] | sikkerhedsfaktor - SF |
|---|---|---|---|
| 0.55kW (MS80) | RV-63 | 61 | 2.2 |
| 0.75kW(MS80) | 83 | 1.6 |
Beskrivelse:
PMRV gearkasser bruges i kombination med elektriske motorer.
Gearkassen reducerer omdrejningerne af den elektriske motor til den værdi, vi ønsker at arbejde med. Gearkasser har forskellige forhold 7.5:1 - 10:1 - 20:1 - 40:1.
Ved installation af gearkassen skal du altid sikre, at:
- dataene på typeskiltet matcher dataene for den bestilte vare
- hus og aksler er rene og uskadte
- overfladen, som gearkassen er fastgjort til, er flad og stærk nok
- gearkassen og akslen på den elektriske motor passer godt
- hvis der er mulighed for vibrationer eller blokering, skal en momentbegrænser installeres
- roterende dele er dækket med plastdæksler
- enheden, der bruges udendørs, skal være tilstrækkeligt vejrbeskyttet
- driftsforhold ikke forårsager korrosion (medmindre det er aftalt på forhånd, og gearkassen og den elektriske motor er korrekt forberedt)
- gear, akselgear, ind-/udgangsaksler er korrekt sikret for at undgå radial- eller aksialbelastninger, der ikke overstiger den maksimalt tilladte grænse
- alle koblinger er belagt med korrosionsbeskyttende materiale for at forhindre oxidation ved kontakt
- alle fastgørelsesskruer skal være sikkert strammet
Alle beregninger er baseret på elektriske motorer med 1400 omdrejninger. Hvis du bruger en elektrisk motor med en anden hastighed end 1400 omdrejninger pr. minut, skal du dividere indgangsomdrejningerne med gearkassens forhold for at få udgangsomdrejningerne.
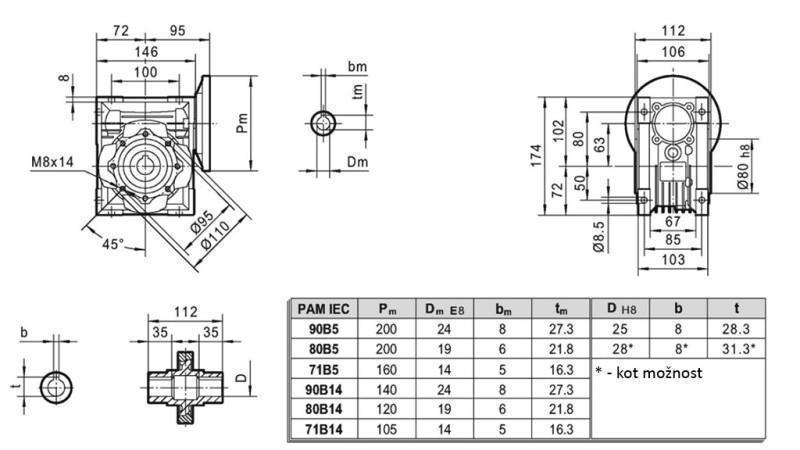
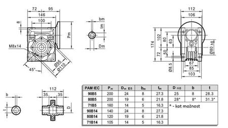
Flere tekniske data kan findes i vedhæftningen 'DIMENSIONER - DATABLAD'.







