Nye produkter
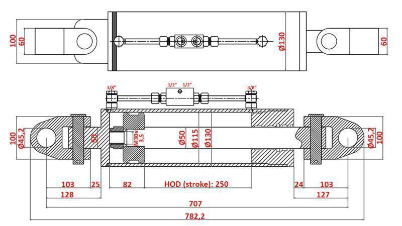
HYDRAULISK TOPSTANG SPECIAL - CAT. 4 - 115/50-250 (180-380 HP) (45,2 mm)
| Tekniske data | |
| Leverandør: | Italien |
| Garanti: | 2 år |
| Returnering eller ombytning: | 14 dage |
| Produktvægt: | 38 kg |
| Cylinderdimensioner: | 115/50 mm |
| Længde (min. → maks.): | 707 → 957 mm |
| Slaglængde: | 250 mm |
| Maksimalt tryk: | 250 bar |
| Blokventil: | Ja |
| Maksimal hastighed: | 0,5 m/s |
| Cylinder udtrækskraft (ved 180 bar): | 18,69 ton |
| Cylinder indtrækskraft (ved 180 bar): | 15,15 ton |
| Beskyttelse: | Zink |
| Tilslutning: | 3/8'' |
| Til traktor: | 180 - 380 HP |
| Huldiameter: | 45,2 mm |

| CAT. 4 (45,2/32,4 mm) | |||||||||
| A | B | C | M | L | E | F | D | G | |
| 115/50-250 | 115 | 130 | 50 | 100 | 45,2 | 707 → 957 | 128 | 250 | 3/8'' |
| 115/50-250 | 115 | 130 | 50 | 100 | 32,4 | 750 → 1000 | 128 | 250 | 3/8'' |
Hydraulisk topstang
er i bund og grund en standard dobbeltvirkende hydraulisk cylinder med svejsede ender, beregnet til montering mellem traktoren og redskabet. Det er helt sikkert en opgradering til traktoren, hvis den ikke allerede har en. Vores hydrauliske topstænger er galvaniserede for den bedst mulige korrosionsbeskyttelse. Alle hydrauliske topstænger er desuden udstyret med en blokventil. I tilfælde af skade på en hydraulikslange forbliver cylinderen i topstangen i samme position sammen med redskabet. Blokventilen sikrer også, at slangerne ikke står under tryk trods vibrationer under kørsel, hvilket forhindrer unødig belastning af traktorens hydraulikventil.
De mest almindelige typer af hydrauliske topstænger:
- HYDRAULISK TOPSTANG STANDARD
(med svejsede øjer i begge ender)

- HYDRAULISK TOPSTANG AUTOMATIC
(på stempelstangen er der en hurtigkoblingskrog til at fastgøre redskabets kugle)

- HYDRAULISK TOPSTANG SPECIAL
(en hydraulisk topstang med krog, men i stedet for øje på cylinderen anvendes en speciel svejset gaffel, som tillader større sidebevægelse af topstangen)

- TOPSTANG MED PÅSKRUET FANGKROG AUTOMATIC
(længden af topstangen kan forlænges med gevinddelen)

Anvendelse af hydrauliske topstænger:
Hydrauliske topstænger bliver i stigende grad uundværlige på enhver traktor, især ved pløjning, hvor præcis justering af ploven er afgørende. De er også meget nyttige sammen med jordplanere, traktor-gafler (til tiltjustering) og selv tipvogne.

Sådan vælger du den rigtige hydrauliske topstang til din traktor
Trin 1: Hvor mange hestekræfter har din traktor?
Kategori 1: til traktorer fra 20 til 55 HK (15 – 40 kW)
Kategori 2: til traktorer fra 45 til 95 HK (35 – 70 kW)
Kategori 3: til traktorer fra 80 til 210 HK (60 – 155 kW)
Kategori 4: til traktorer fra 180 til 380 HK (135 – 285 kW)
Det er også værd at overveje, hvilket redskab topstangen skal bruges til, da en traktor på 100 HK ikke nødvendigvis behøver en kategori 3 topstang, hvis den kun skal bruges til en tipvogn med en maksimal lastekapacitet på 1500 kg.
Trin 2: Hvilke bolthuller skal topstangen have?
Kategori 1: Huller 19,2 mm eller 25,4 mm
Kategori 2: Huller 25,4 mm
Kategori 3: Huller 25,4 mm eller 32,4 mm
Kategori 4: Huller 45,2 mm eller 32,4 mm
Det er muligt at bruge en reduktion, der gør det muligt at anvende den samme topstang på flere traktorer eller redskaber. For hydrauliske topstænger med fangkrog (Automatic) eller specialversioner defineres hullerne af kuglen, som fastgøres i topstangens hurtigkoblingskrog.
Trin 3: Passende længde eller slaglængde.
Der findes ingen fast regel eller standard for, hvor stor en slaglængde en hydraulisk topstang skal have til en bestemt traktor. Det afhænger hovedsageligt af traktortypen og de redskaber, den er beregnet til. Normalt bruges den sammen med flere redskaber, du ejer, så du skal bestemme en længde, der passer til de fleste af dem. Den nemmeste måde er at måle den gevindede topstang, der allerede er monteret på din traktor. På baggrund af den korte længde af den gevindede topstang (målt fra hulcenter til hulcenter) kan du vælge den nærmeste hydrauliske topstang og se dens maksimale forlængede længde og slag.
Standard slaglængder for hydrauliske topstænger er:
- 160 mm
- 210 mm
- 280 mm
- 340 mm
- 400 mm
De samlede længder af topstænger med samme slaglængde afhænger af typen.
Trin 4: Valg af type hydraulisk topstang.
- Hydraulisk topstang Standard
(til brug med almindelige traktorer)
- Hydraulisk topstang Automatic
(anvendes hvis traktoren er udstyret med hurtigkoblingskroge på de nederste løftearme)
- Hydraulisk topstang Special
(til større sidebevægelse)
- Topstang med påskruet fangkrog Automatic
(topstangens længde kan forlænges med gevinddelen)
Hydrauliske topstænger passer til traktorer:
Zetor, Fendt, Deutz-Fahr, Massey Ferguson, Fiat, John Deere, Case, Renault, IMT, Ursus, Steyr, Hürlimann, Lamborghini, Same, Landini, Valtra, Claas, New Holland, Caterpillar, Bobcat, Volvo, Carraro, Yanmar, Štore, Lindner, Solis.







