Nye produkter
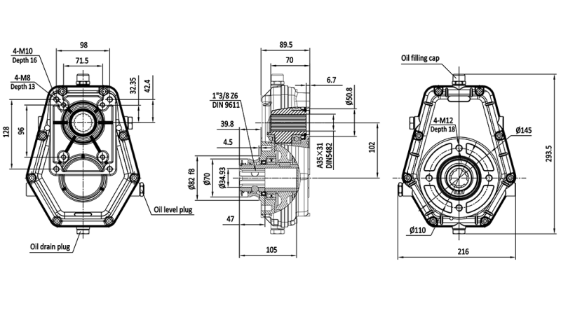
GEARKASSE GR.3 -1:3.8 HUN PÅ STIFT
Produktkode:
10132
OEM:
9990000000678
Moms sats
22 %
Pris uden moms:
888,11 DKK
Pris med moms:
1.083,50 DKK
Ref:
34
Brug
Gearkassen bruges til at øge omdrejningerne af gearpumpen og dermed øge flowet fra pumpen selv.
De bruges mest almindeligt til træsplittere, traktorlæssere og andre traktortilbehør.
Grundlæggende er der en han-version med forbindelse via en kardankobling og en hun-version med en stift til direkte installation på traktorkardanen.

Leverandør:
Italien
Returnering eller ombytning:
14 dage
Forbindelse:
kvindelig - 1" 3/8
Omdrejninger:
max. 3000 rpm
Indgangsmoment:
43.7 daNm
Udbudsmoment:
11,5 daNm
Produktvægt:
8.1 kg
Input RPM:
540 omdr./min
Output RPM:
2057 rpm
Transmission ratio:
1:3.8
Garanti:
6 måneder
For belastninger:
20 kW










