Nye produkter
ERC02 GEARKASSE TIL ELEKTRISK MOTOR MS80 (0.55-0.75KW) FORHOLD 24:1
Beskrivelse:
ERC gearkasser bruges i kombination med elektriske motorer. ERC gearkasser er designet baseret på et modulært system. Vi kan tilslutte forskellige typer motorer (klassisk, frekvens, bremse ...). Det bruges i applikationer som byggeri, fødevareindustri (kødhakkere ...), drivremme (ruller, ..) og mere.
Gearkassen reducerer omdrejningerne af den elektriske motor til den værdi, vi ønsker at arbejde med. Gearkasserne har et forhold på 25:1.
Ved installation af gearkassen skal du altid sikre, at:
- dataene på typeskiltet svarer til dataene for den bestilte vare
- hus og aksler er rene og uskadte
- overfladen, som gearkassen er fastgjort til, er flad og stærk nok
- gear og den elektriske motors aksel passer godt sammen
- hvis der er mulighed for vibrationer eller blokering, skal en momentbegrænser installeres
- roterende dele er dækket med plastdæksler
- udstyret, der bruges udendørs, skal være tilstrækkeligt vejrbeskyttet
- driftsforholdene ikke forårsager korrosion (medmindre det er aftalt på forhånd, og gearkassen og den elektriske motor er korrekt forberedt)
- gear, akselgear, ind-/udgangsaksler er korrekt sikret, så de ikke bliver radiale eller aksiale belastninger, der overstiger den maksimalt tilladte grænse
- alle koblinger er belagt med antikorrosionsmateriale for at forhindre oxidation ved kontakt
- alle fastgørelsesskruer skal være sikkert strammet
- stram ikke husfødderne og monteringsflangerne mod hinanden, og sørg for at overholde den tilladte radiale og aksiale belastning.
- Før start, kontroller olie niveauet anbefalet til den monterede position. Oliekontrol- og dræneskruen samt ventilationsventilen er let tilgængelige.
- Slå aldrig remskiver, koblinger, gear osv. på enden af akslen med en hammer. Dette vil beskadige lejet, huset og akslen
Alle beregninger er baseret på elektriske motorer med 1400 omdrejninger. Hvis du bruger en elektrisk motor med en anden hastighed end 1400 omdrejninger pr. minut, skal du dividere indgangsomdrejningerne med gearkassens forhold for at få udgangsomdrejningerne.
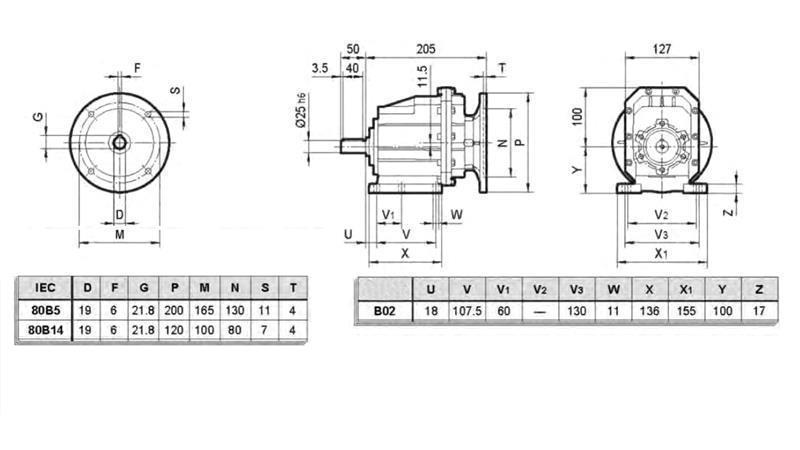
Flere tekniske data kan findes i vedhæftningen 'DIMENSIONER - DATABLAD'.


%20RAZMERJE%2024proti1.jpg)
%20RAZMERJE%2024proti1.jpg)
%20RAZMERJE%2024proti1.jpg)
%20RAZMERJE%2024proti1.jpg)


