Nye produkter
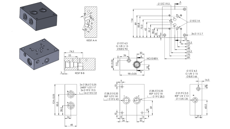
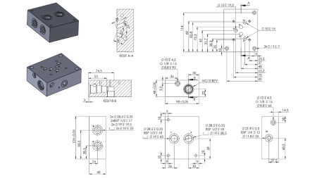
CETOP BASE NG10-1-RV
| Tekniske oplysninger | |
|
Leverandør: |
Turkiet |
|
Returnering eller ombytning: |
14 dage |
|
Garanti: |
6 måneder |
|
Type: |
NG10-1-RV |
|
Materiale: |
Aluminium |
|
Tryk: |
maks. 250 bar |
|
Flow: |
maks. 80 l/min |
Beskrivelse
CETOP NG10-1 underpladen er en standardiseret monteringsplade designet til installation af hydrauliske ventiler i størrelse NG10 (CETOP 5) i henhold til ISO 4401-05 standarden. Den muliggør en enkel, hurtig og pålidelig tilslutning af ventilen til det hydrauliske system.
CETOP NG10-RV underpladen er en forbedret version af den standard NG10 (CETOP 5 / ISO 4401-05) underplade, med en integreret trykaflastningsventil. Den er designet til at beskytte det hydrauliske system mod for højt tryk og sikrer sikker og pålidelig drift.
Den integrerede aflastningsventil tillader trykbegrænsning direkte på underpladen, hvilket reducerer behovet for yderligere komponenter, forenkler installationen og giver et mere kompakt systemdesign.
Dimensioner









